
蘇式截流閥
|
公稱壓力 Pn
|
16
|
|
|
強度試驗壓力 Ps
|
2.4
|
MPa
|
|
密封試驗壓力 Pm
|
1.76
|
|
|
工作壓力 P
|
1.6
|
|
|
|
16c
|
水、蒸氣、油類
|
|
適用介質
|
16p
|
硝酸類、食品類
|
|
|
16R
|
醋酸類
|
|
|
16c
|
≤ 425 ℃
|
|
適用溫度 t
|
16p
|
≤ 425 ℃
|
|
|
16R
|
|
|
公稱通徑
DN ( mm )
|
管螺紋
G
|
尺寸( mm )
|
重量 (kg)
|
|||||
|
L
|
E
|
S
|
H
|
H1
|
D0
|
|||
|
15
|
1/2 ″
|
90
|
14
|
32
|
109
|
117
|
55
|
0.9
|
|
20
|
3/4 ″
|
100
|
16
|
36
|
109
|
117
|
55
|
1.1
|
|
25
|
1 ″
|
120
|
18
|
46
|
132
|
142
|
80
|
1.8
|
|
32
|
1 1/4 ″
|
140
|
20
|
55
|
156
|
168
|
100
|
2.5
|
|
40
|
1 1/2 ″
|
170
|
22
|
65
|
167
|
182
|
100
|
3.7
|
|
50
|
2 ″
|
200
|
24
|
80
|
182
|
200
|
120
|
5.5
|
|
65
|
2 1/2
|
260
|
26
|
95
|
200
|
223
|
140
|
9.3
|
蘇式截止閥概述:
產品介紹
蘇式截止閥的詳細信息
品牌/型號:圣瑞/蘇式
公稱通徑:10-100(mm)mm
應用規范:
公稱壓力:16Mpa
適用溫度范圍:-20~232℃~350℃
適用介質:水、油、氣及某些腐蝕性液體
螺紋類型:G.NPT.BSPT.BSP.DIN259/2999
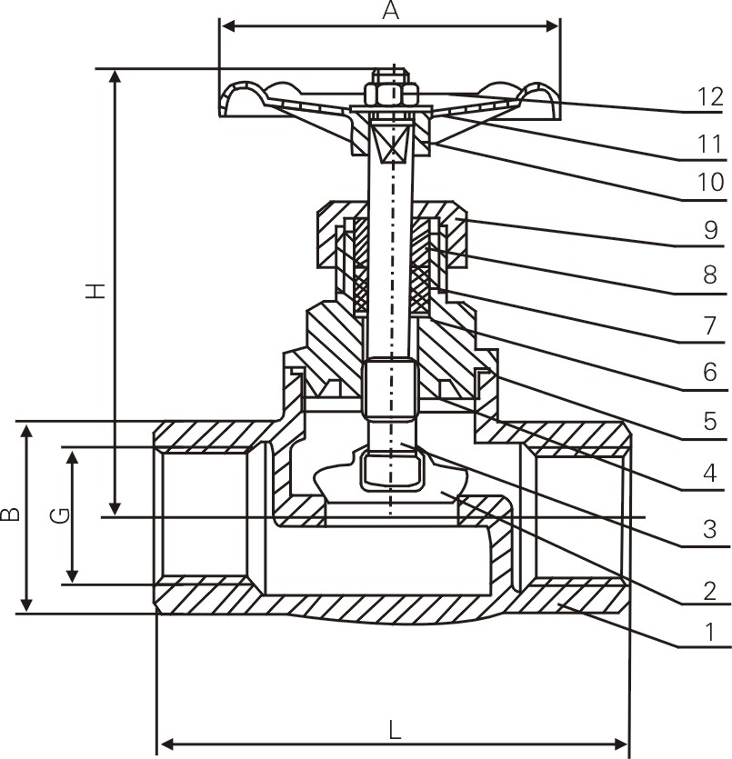
主要零件
|
零件名稱 |
J11W-16C |
J11W-16P |
J11W-16R |
|
閥體 |
WCB |
ZG1Cr18Ni9Ti、304.CF8 |
ZG1Cr18Ni9Ti12Mo2Ti、316.CF8M |
|
閥蓋 |
1Cr18Ni9Ti、304 |
1Cr18Ni9Ti、304 |
1Cr18Ni9Ti12Mo2Ti、316 |
|
閥桿 |
1Cr18Ni9Ti、304 |
1Cr18Ni9Ti、304 |
1Cr18Ni9Ti12Mo2Ti、316 |
|
密封圈 |
|
聚四氟乙烯PTFE |
|
|
填料 |
|
聚四氟乙烯PTFE |
|
主要外形尺寸
|
DN |
G |
L |
E |
B |
H |
A |
KG |
|
15 |
1/2” |
90 |
14 |
32 |
109 |
70 |
0.9 |
|
20 |
3/4” |
100 |
16 |
36 |
109 |
70 |
1.1 |
|
25 |
1” |
120 |
18 |
46 |
132 |
80 |
1.8 |
|
32 |
11/4” |
140 |
20 |
55 |
156 |
90 |
2.5 |
|
40 |
11/2” |
170 |
22 |
65 |
167 |
100 |
3.7 |
|
50 |
2” |
200 |
24 |
80 |
182 |
120 |
5.5 |
|
65 |
21/2” |
260 |
26 |
95 |
200 |
140 |
9.3 |
溫州市韓鋼閥門有限公司(原溫州龍灣東特閥門廠)
址址:浙江省溫州市龍灣永興工業區
電話:+86-577-86929779
傳真:+86-577-86923779
手機:18957738133
E-mail:hangangvalve@163.com
網址:www.talyjs.com

掃一掃微官網

加微信好友

加微信好友
Copyright © 2020 溫州市韓鋼閥門有限公司 All Rights Reserved. 技術支持:溫州網絡公司 浙ICP備13025146號-1 網站地圖 XML